-Language-
Product name:

UOTEK Wavelength: 1,310, 0-1M DC:5V Optic Fiber to TTL

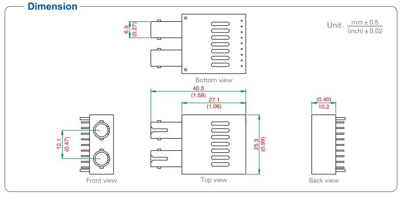
Model: UTF022252

● ST plug-in optical port, multi optical transceiver module

● Single +5V power supply

● Compatible with TTL CMOS standard

● Standard 1x9 pin encapsulation format

● Emitting Device Wavelength: 1,310nm

● Super low consumption design, meets special requirement

● Applied to RS-232, RS485 photoelectricity conversion of electric power & industrial control that 10Mb/s below


UTF022252 seires can be applied to RS-232/485 equipments in  power control and industrial control that below 10Mb/s.