-Language-
Product name:

UOTEK RS-232 to RS-485/422 Port-Powered Converter with Isolation

Model: UT-217E

Standards: RS-232, RS-485 TIA/EIA

● Automatic data direction control, no need external flow control signal (RTS)

● Baudrate: 300ps-115.2kbps

● Allows connecting 32 sets RS-485 or RS-422 device

● Transmission Distance: 1,200m (9,600bps)

● Power & data flow indicator, failure detection

● Working mode: asynchronous half-duplex (RS-485) or full-duplex (RS-422)

● Isolate voltage: 2.5KVrms/500VDC insulative isolation;

● RS-485/422 provides with 600W lightning protection each line

● Connector: RS-232 DB9 female;

                   RS-485/422 4 bits terminal block & RJ-45

● Transmission media: twisted-pair or shielded cable

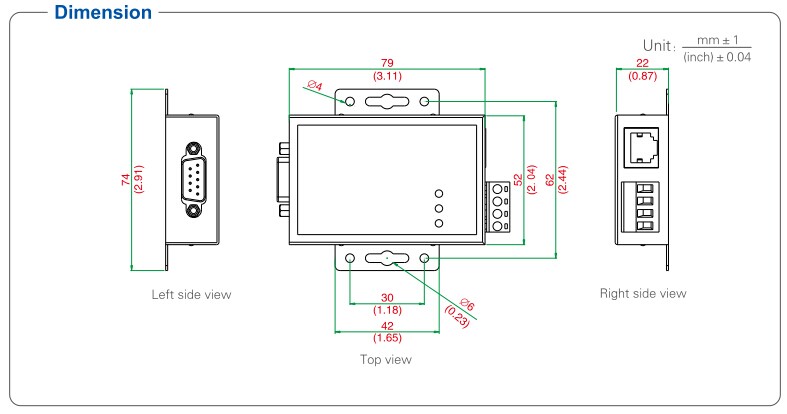
● Dimension: 79mm×74mm×22mm

● Operating temperature: -25℃ to 70℃

● Relative humidity: 5% to 95%

● Works with all communication software, plug & play

● Supports all operating system

UT-217E is a port-powered converter with optoelectronic isolation. It complies with RS-232C, RS422, and RS-485 standards; it converts single side RS-232 signal to a balanced differential RS-422 or RS-485 signal. The built-in optoelectronic isolator can provide as high as 2,500Vrm isolated voltage; the fast instant voltage restraint is designed to protect RS-422/RS-485 interface; it adopts advanced TVS (TRANSIENT VOLTAGE SUPPRESSOR) instant voltage restraint; normally, TVS tube is in high impedance state; when both sides of TVS tube suffer from high power impact in a sudden, the voltage restraint will fast lower the impedance from both sides, and absorb in big current; with this, the voltage on both sides are fixed at presupposed value, protects the component of circuit from damage. This voltage restraint provides 600W each wire with lightning and ESD protection, and surge voltage and instant overvoltage protection on circuit which causing by all reasons; the tiny interelectrode capacitance ensures high speed transmission for RS-422/485 ports. RS-232 port connects with RS-232C standard port by DB9 female connector; RS-422/RS-485 adopts RJ-45 and 4 bits terminal block as output. 

This converter is with built-in zero delay auto receiving and transmitting conversion and unique I/O circuit auto control data flow direction without any handshake signal (RTS, DTR); there is no need jumper wire setting for full duplex (RS-422) and half duplex (RS-485) mode, plug & play. It is compatible with current communication software and hardware, no need to set the previous working mode which base on RS-232.

UT-217E optoelectronic isolated port-powered converter provides connection for point to point, point to multipoint communication. For point to multipoint mode, each converter is allowed to connect 32 sets RS-422 or RS-485 devices with baudrate 300-115.2Kbps. The power and data flow indicators indicate the working status.